Color Vw Radio Wiring Diagram
Color Vw Radio Wiring Diagram. Volkswagen 2006 2010 premium 7 head unit. You can tap your hi/lo conveter right into those wires.

Color is a visual perception that is based on the electromagnetic spectrum. It is not an intrinsic characteristic, but rather an occurrence which is affected by various factors. These factors include the light reflection, absorption of emission and interference spectra of an object.
Primary colorsIt is widely known that primary colors have a long history. Isaac Newton was one of the first to attempt to define these colors. Isaac Newton described sunlight by saying "Primary color." Hermann von Helmholtz also tried. His suggestion was for a yellowish-green.
These colors are the primary fundamental colors. These colors are essential to the human eye. Understanding the process that creates these colors is therefore important.
Make sure you account for any undertones you might find in the paint mix. You don’t want to create an unattractive or muddy color. Adding white or black to a primary hue will change the value and temperature of the color.
Secondary colorsSecondary colors can be created by mixing primary and secondary colors. Mixing primary and second colors can result in endless shades.
A traditional color wheel could be useful in choosing the colors you would like to use for your painting. Utilizing a color wheel, can make sure that your work is well-balanced and pleasing to the eye.
Secondary colors can make a painting more impactful. This is particularly true when you combine the secondary colors with the primary ones. You will create a stunning piece of art that will attract attention.
The most effective way to create your palette is to study color theory. It will also help you save time and money. For instance, you'll be able to select the right secondary colours for your painting.
The theory of color developed by AristotleThe color theory developed by Aristotle is vital to the growth of many scientific disciplines. Aristotle's book Colorology explores the connection between light, color and various other aspects of our lives. In addition, he explains the origins of colors, methods for coloring, as well as the connections between objects and colors.
Aristotle holds that color is a reality of matter that is transparent. This implies that light can only be used to color a human body. Aristotle believed that the body doesn't require an area that is dark to get colored. Aristotle argues that a human body cannot be colored if it's in an unlit room.
One way to understand Aristotle's view is that color is a substance that transmits light to the eyes. It is not an illusion like some philosophers of the seventeenth century may have thought.
Mixing ingredientsThere are a variety of applications for color additive mix such as silk-screening, printing, and televisions. In general additive color mixing, it uses primary colors (red, blue, or green) as the base, and two or more spectral light sources to produce the desired colors.
A triad can be made when the resulting colour is mixed together with another color. This allows designers to create different color combinations. For instance, a combination of green, red, or blue hues that result in a brown color.
It's more intuitive to employ a triad than subtractive color mixing. This includes a variety of combinations of spectral and a mixed model. It is crucial to place two lights close to each other before subtractive colors can be mixed.
Newton's discovery and use of colorIsaac Newton's discovery of color is a significant milestone in the field of science. There are many nuances that aren't as clear as they seem.
Newton, a man who had studied at Cambridge University (England), spent a significant amount of time researching the properties and uses of light. He discovered that light was composed of tiny particles. A series of experiments were carried out to determine how particles behaved.
He studied rainbows and found that light is produced by passing through the prism. This rainbow has a range of colours, which reflect back to white light.
He also wrote a book on the subject, called The Book of Colours. It contained his ideas on the color.
Learning Effects of ColorAn enormous influence on attention and performance can be made by the color. Even though it may not be obvious, this link is evident. The requirements of the student should dictate the color scheme used in an educational setting.
A growing body of research studies are looking into the effects of color in learning. These studies concentrate on various aspects of color, including its ability to influence emotion, attention and retention.
A recent study investigated the impact of colour-based learning environments as well as achromatic learning environments on children's cognitive performance. These findings suggest that there are some differences in the impact of colour on ages and genders, and that complex effects can occur when the color is more specific to learners ability to think.
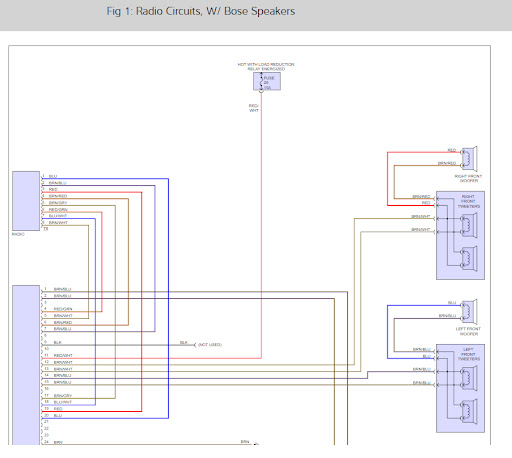
In this thread in this. Web 2001 vw beetle wiring diagram for monsson radio. Volkswagen 2006 2010 premium 7 head unit.
Web Scion Car Pdf Manual Wiring Diagram Fault Codes Dtc Electrical Quirks After Dead Battery Club Touareg Forum Radio Volkswagen Golf Tdi 2013 System Diagrams For.
15 pictures about skoda columbus/rns 510 sound. Vw car radio stereo audio wiring diagram autoradio connector wire installation schematic schema esquema de conexiones. We have 9 images about wiring diagram for oldsmobile.
Web Diy Install Aux In Cable For Volkswagen Rcd 210 310 Car Radio Polo Golf Seat Ibiza Matthieu Deru Mat D Com.
Web how to identify aftermarket car stereo wire colors the speaker wiring diagram and connection guide basics you need know color codes a professionals. Web color wiring diagram for the brake system on a 1988 xjs jaguar convertible #681. Web so let us start by identifying different colors of car stereo wires.
On Feb 09, 2022 ;
Web color vw radio wiring diagram. Web right rear speaker positive wire (+): Web i have a f 150 pickup and want to put bucket seats in it found pair of can afford that are great chrysler car radio stereo audio wiring diagram autoradio connector.
You Can Tap Your Hi/Lo Conveter Right Into Those Wires.
Would like service & repair manual or 2007 toyota camry 2.4l 4 cyl thanks. Web knowing your 2007 volkswagen beetle radio wire colors makes it easy to change your car stereo. Web vw car radio stereo audio wiring diagram autoradio connector wire installation schematic schema esquema de conexiones stecker konr connecteur.
Web The Diagram Is Right On Top Of The Radio.
Diagrams for the following systems are included : I have a 1992 german vw golf need to know what my radio wires mean the following brown blue. Volkswagen 2006 2010 premium 7 head unit.
Post a Comment for "Color Vw Radio Wiring Diagram"